Professional Resource: Eye Bolt Weight Chart In Kg & Mm With Pdf For Site Use

Eye Bolt Weight Chart in KG & MM
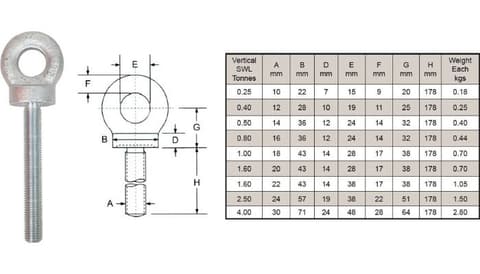
Eye Bolt Weight Chart – Metric Sizes (DIN 580 Standard) in KG & MM
Eye Bolt Size (MM) | Thread Diameter (MM) | Shank Length (MM) | Outer Eye Diameter (MM) | Approx. Weight (KG) |
M6 | 6 | 13 | 20 | 0.04 |
M8 | 8 | 20 | 25 | 0.07 |
M10 | 10 | 25 | 30 | 0.12 |
M12 | 12 | 30 | 35 | 0.18 |
M14 | 14 | 35 | 40 | 0.25 |
M16 | 16 | 40 | 45 | 0.35 |
M20 | 20 | 50 | 50 | 0.55 |
M24 | 24 | 60 | 60 | 0.85 |
M27 | 27 | 65 | 70 | 1.10 |
M30 | 30 | 70 | 75 | 1.45 |
M36 | 36 | 80 | 90 | 2.30 |
M42 | 42 | 90 | 105 | 3.40 |
M48 | 48 | 110 | 120 | 5.10 |
M56 | 56 | 120 | 135 | 7.50 |
M64 | 64 | 130 | 150 | 10.20 |
Eye Bolt Load Capacity Reference (DIN 580 – Axial Load)
Eye Bolt Size (MM) | Safe Working Load (KG) | Material Type |
M6 | 70 | Forged Steel |
M8 | 140 | Forged Steel |
M10 | 230 | Forged Steel |
M12 | 340 | Forged Steel |
M16 | 700 | Forged Steel |
M20 | 1200 | Forged Steel |
M24 | 1800 | Forged Steel |
M30 | 3200 | Forged Steel |
M36 | 4600 | Forged Steel |
M42 | 6300 | Forged Steel |
Note: Values shown above are approximate and may vary based on eye bolt material, manufacturer standards, and use conditions. Always consult technical specifications or a qualified engineer for safety-critical applications.
Eye Bolt Types Available in Market
Type | Description | Common Material |
DIN 580 Eye Bolts | Standard metric forged lifting eye bolts | Carbon/Alloy Steel |
Shoulder Eye Bolts | With shoulder for angular lifting | Stainless Steel |
Plain Pattern Eye Bolts | No shoulder, not for angular loads | Galvanized Steel |
Machinery Eye Bolts | Threaded for permanent fixing | Forged Carbon Steel |
Screw Eye Bolts | With wood screw threads for timber fixing | Mild Steel/Stainless |
Recommended Uses for Eye Bolts by Size
Eye Bolt Size (MM) | Common Use Case |
M6 – M12 | Light lifting equipment, cable guides |
M16 – M24 | Construction scaffolding, rigging applications |
M30 – M42 | Heavy machinery anchoring, shipping loads |
M48 – M64 | Marine, crane operations, industrial lifting |